在2021年畫上句號之時,我們公司迎來了喜訊,陜西鋅業有限公司順利通過能源管理體系認證,于2021年12月30日喜獲《能源管理體系認證證書》。

在紛繁復雜的形勢變化面前,耳不聰、目不明,將無法看清發展趨勢,察不出蘊藏其中的機遇和挑戰。陜西鋅業公司積極響應國家政策,搶抓一個“早”字,體現一個“快”字,做到一個“好”字,為早日實現碳達峰、碳中和的"雙碳"目標,創建綠色工廠,積極落實能源管理體系認證工作,為陜西鋅業有限公司可持續發展進行戰略布局。

公司黨政領導高度重視,黨委書記、董事長何學斌和總經理崔旭東,親自安排部署,成立以總經理助理陳志明為組長的能源管理體系認證工作領導小組,具體工作由生產運行部牽頭負責。

能源管理體系認證工作從9月份開始,該項工作對于公司來說是一個新的事物,生產運行部2021年3月份接手能源管理工作,對生產運行部來說認證工作更是一片空白。總經理助理陳志明、生產運行部張小兵主任、王彥良副主任向同行業多方打聽,爭取更多的參考資料。

2021年9月2日生產運行部邀請西安高級能源培訓師唐道遠老師對我公司班組長以上人員(約200人)進行了能源管理體系標準知識的培訓。

2021年9月26日-9月28日由新世紀檢驗認證有限責任公司對我公司能源管理體系認證工作進行一階段的審核,因時間緊,加之對能源管理體系的資料掌握不夠,一階段資料準備不夠充分,審核老師對我公司認證范圍及能耗核算邊界(EnMS)重新進行了定義,同時提出了需要改進的地方以及增補的資料。

能源管理體系一階段審核工作結束后,生產運行部立即組織各車間召開能源專題會,進行專項安排;因時間緊,任務重,生產運行部從車間抽調5人(王波波、賈兆霖、葉鯤、王小祥、宋剛)與生產運行部張小役、晁淑娟組成能源管理體系資料準備小組。

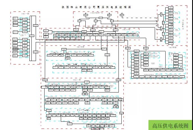
該項工作由張小役牽頭、抽調人員及能源內審員全力配合,全員參與,所有人加班加點,利用不到兩個月的時間:①完成了能源管理體系程序文件、能源管理體系手冊的編制,能源內部審核工作、能源管理評審、能源體系相關方需求和期望分析表及監測評審表、能源法律法規清單及合規性評價、能源風險和機遇應對措施、能源組織的背景材料等資料從無到有,從一頁頁紙變成一本本書。②完成車間能耗月報表、公司水電月報表的整理歸類;并分車間分工序統計2020年1月-2021年9月的能源數據(水、電、焦沫、焦炭、天然氣、柴油、汽油),進行分析,制定出能源基準和能源目標,完成車間及公司能源評審報告。③對車間設備臺賬、電機臺賬、變壓器臺賬、變電站電容器臺賬、能源計量器具臺賬、主要用能設備、主要機電設備、淘汰設備臺賬等進行全面更新,并分門別類整理。④對公司高壓供電系統圖進行重新繪制,并完成車間電能表流向圖。⑤利用5天的時間由北京綠碳之星科技有限公司對我公司130多臺高低壓電能表(含互感器)逐個進行校準測試。⑥完成能源管理體系其他相關資料準備工作。
通過近兩個月的努力,12月5日—9日順利通過了新世紀檢驗認證有限責任公司對我公司能源管理體系二階段的審核工作。
在能源管理體系二階段審核末次會上,總經理崔旭東對此次審核中存在的問題提出了以下要求:一是審核中開出的不符合項以及和各部門一一對應時指出的問題做好整改;二是能源管理工作存在不盡如人意的地方,高耗能設備是歷史的原因,但從現在開始認真梳理,能耗管理、淘汰設備列出計劃,分步實施;三是能源管理工作持續改進,制度完善,過程管理中的計量器具配置齊全,能源工作要高度重視,做到規范、完整。
節約資源,降低能耗,提高能源利用效率,既是降本增效,實現高質量高效率發展的迫切需要。又是低碳節能,實現綠色發展的重要內容。陜西鋅業是個大公司,并將不斷擴大,不管多么小的節約量,乘以全體員工,都將是個大量;陜西鋅業歷史悠久,并將續寫未來,不管多么小的節約量,乘以我們的未來,也將是個無限值。